产品分类
技术专栏products
当前位置:首页 > 技术专栏
晟邦电机標準東元大同鑄鐵馬達
2023-04-10

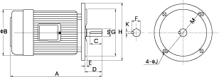
IEC標準三相立式馬達尺寸表
| 輸出馬力 | 框號 | A | B | C | D | E | F | G | H | J | K | M | S | 重量 | ||
| 2P | 4P | 6P | ||||||||||||||
| 1/4 | 1/4 | -- | 63 | 248 | 144 | 10 | 23 | 3.5 | 12.5 | 110 | 160 | 10 | 4 | 130 | 11 | 8KG |
| 1/2 | 1/2 | 1/4 | 71 | 278 | 162 | 14 | 30 | 3.5 | 16 | 110 | 160 | 10 | 5 | 130 | 14 | 12KG |
| 1 | 1 | 1/2 | 80 | 282 | 177 | 25 | 40 | 3.5 | 21.5 | 130 | 200 | 12 | 6 | 165 | 19 | 16KG |
| 2, 3 | 2 | 1 | 90L | 272 | 200 | 32 | 50 | 3.5 | 27 | 130 | 200 | 12 | 8 | 165 | 24 | 25KG |
| -- | 3 | 2 | 100L | 375 | 219 | 40 | 60 | 4.0 | 31 | 180 | 250 | 14.5 | 8 | 15 | 28 | 32KG |
| 5 | 5 | 3 | 112M | 431 | 235 | 40 | 60 | 4.0 | 31 | 180 | 250 | 14.5 | 8 | 215 | 28 | 43KG |
| 7.5 | 7.5 | 5 | 132S | 454 | 273 | 56 | 80 | 4.0 | 41 | 230 | 300 | 14.5 | 10 | 265 | 38 | 67KG |
| -- | 10 | 7.5 | 132M | 492 | 273 | 56 | 80 | 4.0 | 41 | 230 | 300 | 14.5 | 10 | 265 | 38 | 74KG |



